Tetra Pak UHT-Sterilisator 1.000 l/h / Baujahr 2011

Tetra Pak UHT-Sterilisator 1.000 l/h / Baujahr 2011
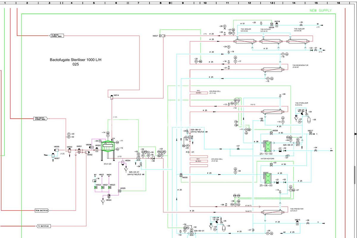
Beschreibung
Der Tetra Pak UHT-Sterilisator ist ein wichtiges Gerät bei der Verarbeitung flüssiger Lebensmittel, einschließlich Milchprodukten
und Getränke. Die Abkürzung „UHT“ steht für „Ultra High Temperature“ und diese Technologie wird zur Sterilisation
Flüssigkeiten, indem sie für kurze Zeit auf sehr hohe Temperaturen erhitzt werden. Dieser Prozess ermöglicht die Zerstörung von
schädliche Mikroorganismen, während gleichzeitig die Nährwerte und sensorischen Eigenschaften des Produkts erhalten bleiben.
Hier sind einige wichtige Funktionen und Vorteile des Tetra Pak UHT-Sterilisators, der 1000 Liter pro Stunde verarbeiten kann:
1. Hoher Durchsatz: Mit einer Kapazität von 1000 Litern pro Stunde ist der Sterilisator in der Lage, Medium zu unterstützen
Es deckt den Bedarf an Großproduktionen ab und ist daher für Molkereien und Getränkehersteller geeignet.
2. Kurze Sterilisationszeit: Beim UHT-Prozess wird das Produkt typischerweise auf Temperaturen von 135 °C bis 150 °C erhitzt
für einige Sekunden. Durch diese schnelle Erwärmung können die Produkte schnell verarbeitet werden, was die Effizienz erhöht und
reduziert Engpässe in der Produktion.
3. Erhaltung der Produktqualität: Durch die UHT-Sterilisation werden Bakterien, Sporen und andere Mikroorganismen effektiv abgetötet, ohne
den Geschmack, die Farbe oder den Nährwert des Produkts erheblich beeinflussen. Dieser Prozess ist wichtig für
lagerstabile Produkte.
4. Flexibilität: Der Tetra Pak UHT-Sterilisator kann für eine breite Produktpalette verwendet werden, darunter Milch, Sahne, Säfte,
Suppen und Soßen, was es zu einer vielseitigen Wahl für viele Lebensmittelverarbeitungsvorgänge macht.
5. Energieeffizienz: Moderne UHT-Systeme sind darauf ausgelegt, die Energieeffizienz zu maximieren und den Abfall zu minimieren.
wichtiger Aspekt nachhaltiger Lebensmittelverarbeitung.
6. Robustes Design: Tetra Pak-Geräte sind für ihre Langlebigkeit und Zuverlässigkeit bekannt und gewährleisten eine lange Betriebsdauer und
Minimieren von Ausfallzeiten.
7. Integrationsfähigkeit: Der Sterilisator kann oft in größere Verarbeitungslinien von Tetra Pak integriert werden und verbessert
Gesamtprozesseffizienz und Rationalisierung der Produktion.
8. Einhaltung gesetzlicher Vorschriften: Der UHT-Sterilisator ist so konzipiert, dass er den Vorschriften zur Lebensmittelsicherheit entspricht und bietet eine Lösung, die
hilft den Produzenten, Gesundheitsstandards einzuhalten.
Spezifikationen
| Hersteller | Tetra Pak |
| Modell | Steriliser |
| Jahr | 2011 |
| Zustand | Gebraucht |
| Seriennummer | GR2011-3331533-025 |
| Lagernummer | 769 |



